Les disjoncteurs electrique
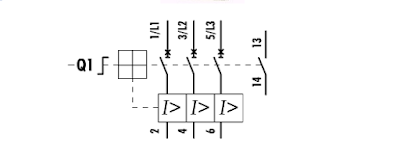
: Les disjoncteurs magnétiques
Les disjoncteurs magnétiques, au même titre que les coupe-circuit fusibles assurent la protection des circuits électriques contre les courts-circuits
Pour des courants de court-circuit peu élevés, ils réagissent plus rapidement que les fusibles. Selon le disjoncteur choisi, le seuil de déclenchement peut être réglé par l'utilisateur
L'ensemble des pôles est coupé lorsqu'un défaut est constaté sur l'un d'eux : à la différence des fusibles dont seul celui en cause est détruit
Lors d'une coupure de circuit, après correction du défaut, le disjoncteur est réarmé manuellement et est prét à fonctionner à nouveau
Au même titre que le sectionneur, le disjoncteur possède des contacts auxiliaires utilisés dans les circuits de commande
: Fonctionnement du dispositif magnétique
Le dispositif de protection contre les courts-circuits fonctionne sur la base d'un électro- aimant
En fonctionnement normal, le courant absorbé par le moteur circule dans la bobine du circuit magnétique mais ce n'est pas suffisant pour que le champ magnétique qu'il crée attire le levier. Le circuit électrique est fermé
En cas d'incident électrique, un court-circuit peut se produire
Une Fois le défaut éliminé , on peut réarmer le disjoncteur pour remettre l'installation en service
Les disjoncteurs magnétothermiques
Les disjoncteurs magnétothermiques assurent, en plus de la protection contre les court-circuits, une protection contre les surcharges, à l'instar d'un relais thermique
Ils remplacent, dans les circuits de départ moteur, l'association de fusibles de classe aM (accompagnement Moteur) avec un relais thermique
Lors d'une coupure de circuit, après correction du défaut, le disjoncteur est réarmé manuellement et est prêt à fonctionner à nouveau
Merci et bon courage
electricité,électricité,electricity (industry),electricité facile,plan electricite,électricité formation,apprendre electricité,electricite villa,électricité renovation,legende electricite,electricite batiment,plan electricite villa,plan electricite batiment,comment dessiner un plan electricite,laféeélectricité,électricien,temi,circuit electrique,éléctricien,esa,courant électrique,fin de formation,électronique,exam de passage,électrons libres,exam fin de formation,electrotechnique








Bien
RépondreEffacer